Arm 裸机开发 基础介绍
什么是裸机开发

裸机开发就是在我们的硬件上直接运行我们的程序,控制相关硬件
看寄存器,我们就需要芯片手册

485总线,用于工业控制,传输距离更远 10m
JTAG 烧写初始程序/仿真调试
电位器:滑动变阻器
温度传感器,测试温度
CPU exynos4412 三星
Cortex-A9系列

我们的程序放在Flash里面
运行在内存里面
cpu在运行中控制外面设备
外围板电路图:fs4412-dev-v0.pdf
核心板电路图:TOPEET_coreboard4412_scp.pdf
5v电源
稳压3.3V:
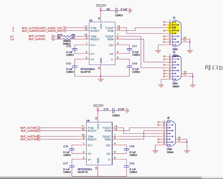
串口:
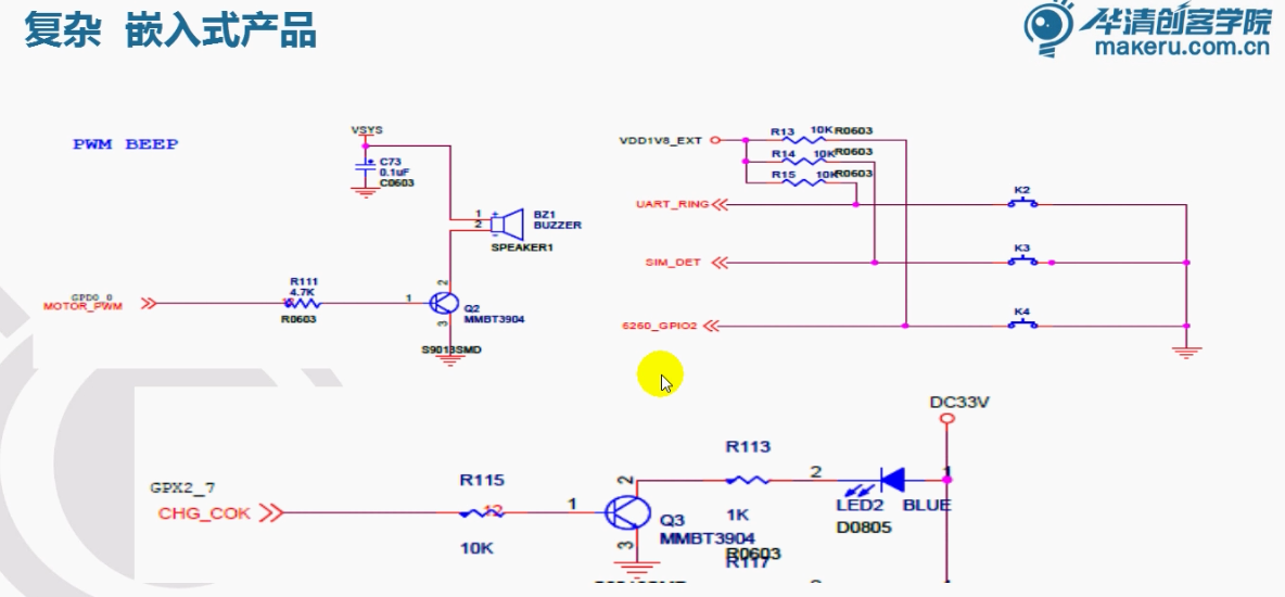
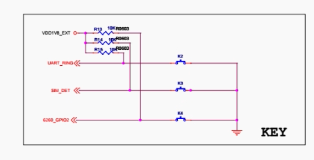
按键:
DM9000网卡:

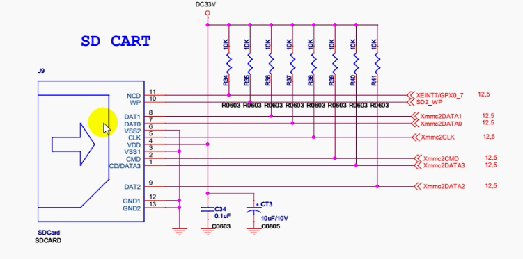
SD卡插槽:
耳机和麦克风:
HDMI输出
LED灯

红外电路和温度传感器
加速度陀螺仪:
蜂鸣器:
手册下载:
fs4412-dev-v0.pdf